

Monrovia Substation and Transmission Upgrade Program (MSTUP) - Liberia Electricity Corporation (LEC)
Energy
Information
Company Description
The Liberia Electricity Corporation is a public utility created by the Government of Liberia in 1973. The act creating LEC mandates the entity to produce and supply economic and reliable electric power to the entire nation as well as maintaining the corporation financial viability. LEC is in the business of ensuring that efficient, reliable and affordable electric power is available, meeting the increasing demand for electric energy in Liberia and serving as a catalyst for socio-economic development.
Countries of Operation
Liberia
Ownership of Company: Local Company
Number of years since incorporated: 52
Project Pitch
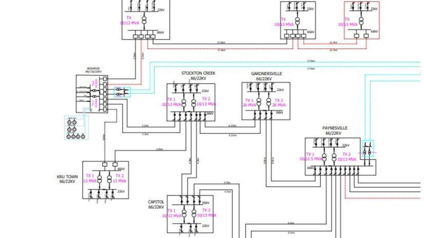
Monrovia Substation and Transmission Upgrade Program (MSTUP): The Monrovia Substation and Transmission Upgrade Program (MSTUP) is a targeted investment program aimed at strengthening the electricity supply backbone for Greater Monrovia. The program consolidates critical upgrades to major 66/33 kV substations and two key 66 kV transmission corridors that supply the majority of the capital’s load. These assets form the core of Monrovia’s power delivery network and require modernization to handle demand growth, reduce outages, and integrate future generation sources. The program includes capacity upgrades for the Paynesville, Virginia, Stockton Creek, and Capitol Hill substations. Activities cover engineering studies, procurement of transformers and switchgear, structural reinforcement, installation and integration of new equipment, SCADA and protection upgrades, and full commissioning. These works increase load-handling capacity, enhance redundancy, and improve the reliability of power supplied to residential, commercial, and industrial customers. MSTUP also includes major reinforcement of two strategic transmission routes: Bushrod–Virginia TL 1 & 2 and Virginia–Kle TL 1 & 2. Both routes will be upgraded to dual-circuit 240 mm² AAAC standards, including tower strengthening, hardware replacement, new insulators, and OPGW installation. These upgrades improve power transfer capability, reduce technical losses, and increase operational flexibility. The MSTUP provides the foundation for improved reliability, reduced outages, and future expansion of Monrovia’s distribution network.
Team
The MSTUP team comprises transmission engineers, substation engineers, SCADA and protection specialists, civil and structural engineers, environmental and social safeguards officers, procurement specialists, GIS teams, and project finance staff. Coordination is aligned with MME, MFDP, EPA, and technical partners.
Type of Project
Governmental/Institutional project
Stage
Established (mature)
Annual Revenue (in EUR)
10.000.000 - 100.000.000 EUR
Number of employees
>500
Total Project Cost (in EUR)
24,000,000 – 30,000,000 EUR
Financing needs (in EUR)
24,000,000 – 30,000,000 EUR
Type of financing needed
Debt; Grant
The Company is looking for:
Financing for substation and transmission upgrades; EPC partners; international suppliers (transformers, switchgear, conductors, protection systems, SCADA); engineering and construction contractors; environmental and social safeguards partners; and a transaction advisor for programme structuring.
Planned allocation of fundraising capital
Expansion (expanding an existing activity)
Did the project already benefit from an EC Funding Instrument?
Yes: EIB funding instruments