

Blubeam Revu: How to create a digital P&ID diagram
Information
Find out how to manage your P&ID diagrams with Bluebeam Revu in this webinar. It's 100% digitised to avoid errors and maximise understanding!
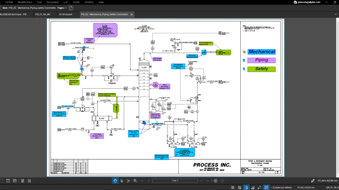
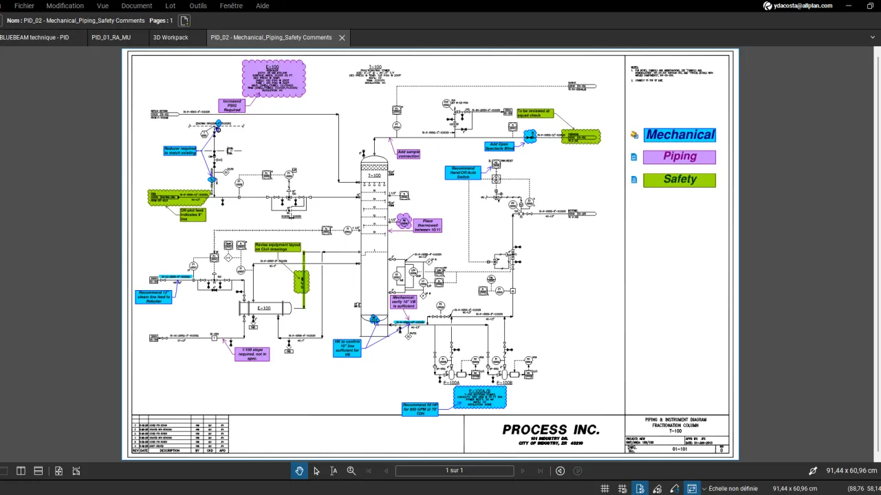
The P&ID diagram (Process, Piping and Instrumentation Diagram) defines all the elements of your piping networks and industrial process in compliance with industry standards. It is the most precise and complete diagram used by engineers to describe a process.
Partner Products
Bluebeam
Category
All VideosConstruction Planning
Languages
French
